
上海中人專業提供ZR-3KW雙饋風力發電機模擬試驗臺,是專業的教學設備生產廠家,我們歡迎您來我們生產基地考察ZR-3KW雙饋風力發電機模擬試驗臺,并為您提供專業的解決方案。教學設備可以解決教師教學缺少平臺,學生缺少實操經驗的難題。ZR-3KW雙饋風力發電機模擬試驗臺,是中人公司的品質效益保障教學產品。 文章內容中的圖片為參考圖片,僅供參考,以實物為準.
本文關鍵詞:ZR-3KW雙饋風力發電機模擬試驗臺1. 概述
3KW雙饋式風力發電實驗室模擬系統,是根據目前國際上風力發電行業應用較廣泛的變速恒頻雙饋風力發電機組設計的模擬實驗系統,該系統具有模擬變速恒頻風力機組并網發電的功能及特性,為風電行業科研、教學提供最有力的幫助。

雙饋發電實驗系統參考圖片
本系統采用異步變頻拖動單元,寬范圍模擬風力發電機運行轉速,用戶可根據需要調節拖動單元轉速來達到模擬風速變化引起的發電機轉速變化。通過開放式主控系統,用戶可以根據自己的實驗需求給定發電機轉矩,通過變流系統控制雙饋發電機的功率輸出,達到變速恒頻風力機組的并網發電等過程各參數的實驗研究。
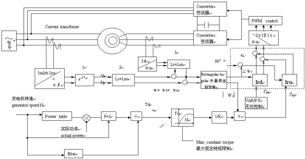
2.1系統結構示及原理


原理框圖
◆系統分為拖動單元、控制單元、發電單元、測量單元。
◆拖動單元:模擬系統因風速變化而引起的轉速變化
◆控制單元:分析系統狀態,控制系統運行,實現數據模擬
◆并網發電單元:雙饋發電機與并網變流器實現風機并網過程。
◆測量單元:系統各信號采集傳輸到主控系統中。
2.2系統功能
實現變速恒頻風力機組發電狀態的模擬,包括轉速、轉矩、發電量及有功、無功調節。
具體如下:
1)風力發電機接線形式實驗
2)空載運轉實驗
3)并網過程實驗(結合并網模塊)
4)并網連續運行實驗(結合并網模塊)
5)風速模擬實驗
6)轉距模擬實驗
7)發電功率模擬實驗
8)其它相關發電性能及測量實驗
9)脫網保護模擬實驗
10)控制策略模擬實驗等
2.3 系統主要模塊參數及功能
繞線轉子雙饋異步發電機,與大型風電機組繞組結構模式相似。
執行普通工業標準的變頻器,技術參數參照定貨后實際產品,附帶技術參數書;拘阅埽侯~定功率:5.5kW ;響應速度:<300us
1.變頻器:
變頻器容量:5.5KW
輸出電壓:0-480V
輸出頻率:0-500HZ
2.驅動變頻器
電機額定容量:5.5kVA
額定轉速:1250r/min(因為電機為變頻電機,較寬的轉速范圍仍然維持較好性能)
額定輸出電壓:380V
3.雙饋三相異步風力發電機
額定轉速 0-3000 r/min
額定功率 3.0kW
額定電壓 380V
額定轉速 1800rpm
轉速范圍 1000-2000rpm
定子電流 6.8A
轉子電流 2.1A
轉子開路電壓 1086V
絕緣等級 F級
4.三相模擬負載柜
輸入額定電壓 0-500VAC
輸入額定功率 10KVA
工作頻率 45-65Hz
儀表電源 220±10%
5.電參數測量柜
測量電壓 10-500VAC
測量電流 0.03-40A±1%
有功功率 1.0 <200W=1W <2000W=10W
頻率 45-65Hz ±0.1Hz
測量轉速 1-30000(r/m)
測量轉距 100N.m
效率 99.9%
電機速度,位置編碼器(增量式編碼器),電流,電壓傳感器。隨驅動器供貨,具體按照定貨實際參數
由拖動及勵磁逆變電柜和主控電柜組成。項目交付時提供維護電路圖。
底座的設計與系統設計過程中采用的具體器件有關,只有安裝全部部件到位后才能最終確定結構尺寸及加工。
超速等故障保護系統,可以避免系統失控。
實驗室提供3相5線380V交流電源,如果實驗室有其它智能系統或易受干擾的計算機等系統,不能接受逆變電源回饋電網,以免影響電力系統正常工作.
試驗臺尺寸:平臺尺寸長1800mm,寬750mm。,占地面積約2.5平方。